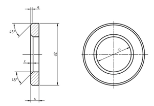
300 HV DIN 6916 EN 14399-6 UNI 5714 Rondella Piana
300 HV DIN 6916 EN 14399-6 UNI 5714 Rondella Piana

|
Size
|
D1
|
D2
|
S
|
E
|
WEIGHT KG /1000 PCS
|
|
M12
|
13
|
24
|
3
|
0,5
|
7.03
|
|
M16
|
17
|
30
|
4
|
1
|
14.6
|
|
M20
|
21
|
37
|
4
|
1
|
19.6
|
|
M22
|
23
|
39
|
4
|
1
|
24.3
|
|
M24
|
25
|
44
|
4
|
1
|
30.6
|
|
M27
|
28
|
50
|
5
|
1
|
50.2
|
|
M30
|
31
|
56
|
5
|
1
|
63.2
|
|
M36
|
37
|
66
|
6
|
1.5
|
115
|
|
M39
|
40.4
|
72
|
6
|
1.5
|
130.5
|
|
M42
|
43.4
|
78
|
8
|
2.25
|
207.1
|
|
M45
|
46.4
|
85
|
8
|
2.25
|
250.15
|
|
M48
|
49.4
|
92
|
8
|
2.25
|
294.17
|
|
M56
|
58
|
105
|
10
|
3
|
472.14
|
|
M64
|
66
|
115
|
10
|
3
|
547.2
|
300 HV DIN 6916 EN 14399-6 UNI 5714 Rondella Piana